直流输电换流站知识分享
直流输电换流站知识分享
换流站概述
在高压直流输电系统中,为了完成将交流电变换为直流电或者将直流电变换为交流电的转换,并达到电力系统对安全稳定及电能质量的要求,换流站中应包括的主要设备或设施有:换流阀、换流变压器、平波电抗器、交流开关设备、交流滤波器及交流无功补偿装置、直流开关设备、直流滤波器、控制与保护装置以及远程通信系统等

换流站的主要设备一般分布在以下区域:
交流开关场区域、 换流变压器区域、阀厅控制楼区域、直流开关场区域。
1、交流开关场区域主要包括:
按主接线要求进行连接的换流站交流侧开关设备、交流滤波器及无功补偿设备、防止设备免遭过电压侵害的交流避雷器,为了对交流侧的电流、电压等电气量进行监测,在这个区域里还装设有交流测量装置
2、换流变压器区域
大容量高压直流换流站的换流变压器容量大、台数
多、占地面积较大。为了缩短换流变压器阀侧套管与阀厅之间的引线长度,减少直流侧由于绝缘污秽所引起的闪络事故,一般要求换流变压器靠近阀厅布置。 保护换流变压器的交流避雷器靠近换流变压器布置
3、阀厅控制楼区域
阀厅与控制楼大都采用整体建筑结构。阀厅内安装晶闸管换流阀及其相应的开关设备和过电压保护设备。
在大多数高压直流换流站中,换流变压器的阀侧套管都直接插入阀厅,以减少套管的污闪几率。采用水作为冷却介质的晶闸管换流阀还安装了冷却水管路。阀厅的防火措施也值得重视。
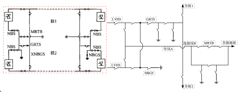
4、直流开关场区域
直流开关场区域主要布置了高压平波电抗器、直流滤波器、过电压保护装置、直流测量装置以及用于运行方式切换和故障清除所需的直流开关装置,如低压直流高速开关(LVHS)、金属回线转换断路器(MRTB)、大地回线转换开关(GRTS)
(1)金属回线转换断路器(MRTB)MRTB装设于接地极线回路中,用以将直流电流从单极大地回线转换到单极金属回线,以保证转换过程中不中断直流功率的输送。如果允许暂时中断直流功率的输送,则可不装设MRTB。MRTB必须与GRTS联合使用。GRTS合闸之后MRTB动作,建立2个并联的回路,直流电流被分流,到达稳
态之后,MRTB动作进行电流转换操作,转换成功之后,和MRTB串联的隔离开关将断开,以确保MRTB不承受持续的电压。

(2)大地回线转换开关(GRTS)
GRTS装设在接地极线与极线之间。它是用于在不停运情况下,将直流电流从单极金属回线转换至单极大地回线。
在GRTS动作之前,MRTB先合闸,建立大地回路和金属回路2个并联的回路,直流电流被分流,到达稳态之后,GRTS动作进行电流转换操作,转换成功之后,和GRTS串联的隔离开关将断开,以确保GRTS不承受持续的电压。

(3)双极运行中性线临时接地开关(NBGS)
NBGS装设于中性线与换流站接地网之间。当接地极线路断开时.不平衡电流将使中性母线电压升高,为了防止双极闭锁,提高高压直流输电系统的稳定性,利用NBGS的合闸来建立中性母线与大地的连接.以保持双极继续运行,从而提高了高压直流电系统的可用率。当接地引线由于故障断开时,中性母线电压将不可控.此时NBGS合闸将系统转为站内接地.将中性母线电压重新稳定在零电位。当接地引线重新正常运行后,NBGS打开,将电流转换到接地引线回路中。另外,当NBS无法进行转换时,NBGS也可以提供临时接地通路。以减少NBS的转换电流。NBGS还有另一个作用,当NBS转换失败时,NBGS合闸提供临时站内接地。

(4)中性母线断路器(NBS)
当单极计划停运时,换流器在没有投旁通对的情况下闭锁,换流器将使该极直流电流为零,NBS在无电流情况下分闸。这也是当换流器内发生除了接地故障以外
的故障时,利用NBS进行隔离的正常程序。当正常双极运行时,如果1个极的内部出现接地故障.故障极带投旁通对闭锁,则利用NBS将正常极注入接地故障点的直流电流转换至接地线路。
对于NBS,最苛工况是平波电抗器的线路侧对地故障,换流器投旁通对,此时需NBS动作,将故障回路电流转换到健全极回路中。
换流站主接线
直流输电换流站由基本换流单元组成,基本换流单元有6脉动换流单元和12脉动换流单元两种类型,每个基本换流单元主要包括换流变压器、换流阀、交直流滤波器、控制保护设备、交直流开关设备等。

换流变压器与换流阀连接
换流变压器的型式直接影响换流变压器与换流阀的连接及布置。
由于三相三绕组换流变压器具有接线布置最简单、投资最省等特点,对于中小型直流输电工程,在条件许可的前提下,总是优先采用。
(1)变压器与换流单元组合形式


