新闻动态
KWZK天行官方网站_天行TIANXING(中国)
网站首页
天行官方网站_天行TIANXING(中国)
公司简介
在线反馈
联系我们
产品展示
全部
传感器/变送器
流量计系列
液位/料位系列
阀门/执行装置
液压/气动元件
检维修工器具
化验/分析仪器
其他机电仪产品
新闻动态
全部
行业知识
企业新闻
资料下载
客户案例
新闻动态
推荐
热门
最新
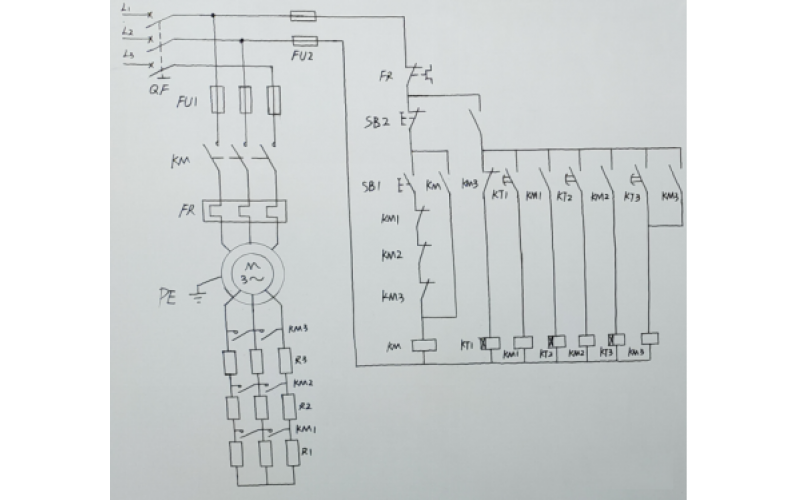
绕线转子异步电动机转子串电阻启动电路解析
绕线转子异步电动机转子串电阻启动电路解析
2022-11-17
天行官方网站_天行TIANXING(中国)
上一页
1
下一页
转至第
首页
产品
新闻
联系
天行注册
|
好博网页登录平台_好博haobo(中国)
|
完美官方网页版_完美(中国)
|
完美在线注册
|
三亿在线官网
|
完美在线手机版(大中国区)
|
三亿在线官网_三亿(中国)
|
半岛在线官方网站
|
好博在线_好博(中国)
|