新闻动态

  • 关于涡街流量计“漏脉冲”的探讨

    漏脉冲的核心定义与危害 漏脉冲是指涡街流量计在测量过程中,传感器未能完整检测流体流经旋涡发生体时产生的涡列信号,部分涡流被“遗漏”未转化为电脉冲输出,直接导致流量测量结果偏低。

    2025-11-18 天行官方网站_天行TIANXING(中国)

  • 蒸汽涡街流量计冷凝水干扰故障的实战排查与解决

    故障现象与初步排查:三车间蒸汽管道上的涡街流量计出现数据波动、示值偏差大的异常情况。维修人员首先启动常规排查流程:逐一核对流量计的参数设置(包括量程、补偿模式、频率系数、阻尼时间等),确认其与蒸汽的实际工况(压力、温度、流速范围)完全匹配;随后检测供电系统的稳定性(DC24V电源的电压波动、接线端子的紧固性);并对信号传输回路(4-20mA电流输出、HART通讯链路)进行抗干扰测试(如检查屏蔽层接地、排查周边强电设备干扰)。经上述步骤,排除了参数误设、电源失稳、电磁干扰等常见诱因。

    2025-11-10 天行官方网站_天行TIANXING(中国)

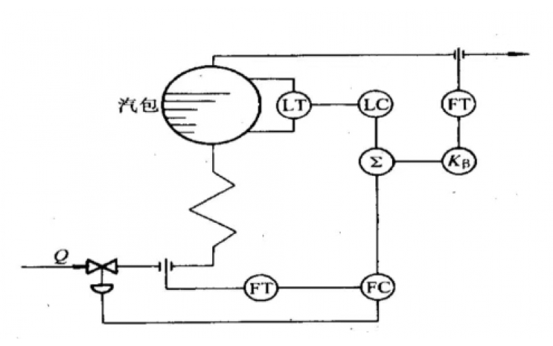
  • 锅炉汽包液位三冲量控制系统

    主被控变量:汽包液位,由液位变送器(LT)测量,经导压管将汽包内液位信号引出,送至主调节器(LC)。 副被控变量:给水流量,由流量变送器(FT2)测量,安装在给水管道的孔板处,通过导压管将差压信号转换为电信号,送至副调节器(FC)。

    2025-08-08 天行官方网站_天行TIANXING(中国)

  • 不锈钢在自控阀门中的应用分析

    不锈钢 201 性能特点 :含镍量较低,约为 4.0%-6.0%,耐腐蚀性在几种不锈钢中最差,特别是在潮湿环境下易生锈。其强度较高,硬度较大,加工性能一般,但价格相对便宜。 在自控阀门中的应用 :由于其耐腐蚀性较差,一般只用于一些对耐腐蚀性要求不高、工况较温和且预算有限的自控阀门中,如一些室内环境中输送清洁水、空气等介质的低压力、低温阀门。

    2025-06-19 天行官方网站_天行TIANXING(中国)

  • 截止阀和闸阀的区别

    截止阀和闸阀是两种常见的阀门类型,它们在工作原理、结构特点、适用场景等方面存在显著区别。以下从多个方面详细说明两者的区别:

    2025-05-21 天行官方网站_天行TIANXING(中国)

  • 热电阻热电偶选型、插入深度、扩大管的应用

    温度传感器深度插入 :未明确规定具体温度仪表在各类介质管道或设备中的插入深度数值,但强调温度检测元件的安装位置和插入深度应能正确反映被测对象的温度,避免因安装位置不当或插入深度不足导致测量误差过大,影响温度测量的准确性和可靠性。

    2025-05-19 天行官方网站_天行TIANXING(中国)

  • 涡街流量计指示偏低故障维修处理

    KWZK-DSRT-8系列涡街流量计时根据卡门(Karman)涡街原理测量气体,蒸汽或液体的体积流量,标况的体积流量或质量流量的体积流量计,并可作为流量变送器应用于自动化控制系统中。它是由漩涡发生体,检测探头以及相应的电子线路等组成。当流体流经漩涡发生体时,它的两侧就形成勒交替变化的两排漩涡,这种漩涡背成为卡门漩涡。卡门涡街的频率与流体的流速成正比。

    2024-06-03 天行官方网站_天行TIANXING(中国)

  • 哪些位置需要加装汽水分离器?必要性和节能效果分析

    不管是工厂自有锅炉,还是热电厂集中供热,蒸汽中都含有部分水汽。 相对而言,热电厂供的蒸汽含水更多,因为热电厂一般是生产高温高压的过热蒸汽,经过减温减压以后(减温时多数采用喷水方式降温),就会造成蒸汽中含水非常多。 若热电厂没有做汽水分离,沿途也没有合理布置疏水点时,就会导致末端用户蒸汽带水非常严重。

    2024-05-30 天行官方网站_天行TIANXING(中国)

上一页1234下一页 转至第
首页
产品
新闻
联系