直流系统接地的处理方法知识分享
2023-04-03 天行官方网站_天行TIANXING(中国)
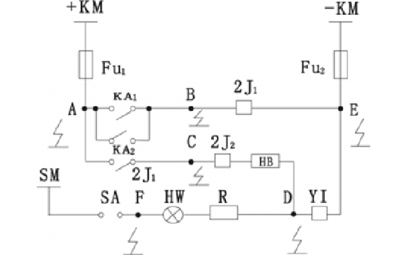
直流系统接地时电压偏移和选线装置的原理
2022-12-14 天行官方网站_天行TIANXING(中国)