行业知识

MFT动作后处理过程,第三集

2023-09-11 09:01:23 天行官方网站_天行TIANXING(中国)

MFT动作后处理过程,第三集

1.时间16:04分11秒,MFT动作前各参数:主汽压力16.35MPA,再热汽压力3.4MPA,主汽温度540℃,再热汽温度540℃,给煤量126.5t/h,31汽泵流量517t/h,32汽泵流量498t/h,汽包水位—8.9mm,主汽流量862.3t/h,手动参考值86.9%,负荷300MW。


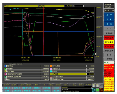
2.MFT动作后所有燃料切除,两台一次风机跳闸,汽机未跳闸,16:04分50秒汽包水位降至最低点-210.17mm,水位开始上涨时31汽泵流量563t/h,32汽泵流量558t/h(水位调节为自动)而主汽流量只为808t/h,正在减少,16:05分10秒辅汽去32汽泵电动门开始开,16:06分51秒至全开,过程中32汽泵转速最高至6038rpm,16:05分30秒汽包水位升至-162mm,31,32汽泵流量分别为622t/h644t/h此时主汽流量为506t/h,给水调节仍为自动,16:07分14秒31汽泵退出,32汽泵流量为644t/h汽包水位-14mm并以快速度上升,此时主汽流量仅为41t/h,给水旁路未切换,  16:08分10秒汽包水位满量程317mm,给水流量609t/h,主汽流量37t/h。见下图

图片关键词

MFT后水位最低点-210mm,同时开始关汽机调门

图片关键词

水位上至最高317mm汽机调门关至5.48%


3.MFT动作后汽机开始关调门,16:04分50秒开始关(87%见上图)16:06分22秒6KV31段厂用电切换完毕,负荷104MW,16:06分51秒6KV32段厂用电切换完毕负荷28MW,16:07分5秒汽机调门关至5.68%负荷由280MW降至17MW。汽压力由16.3MPA降至13.85MPA后开始上涨,当时汽机调门11%负荷42MW,主汽温度由537℃降至520℃,再热汽温由540℃降至494℃,功率最低降至2.97MW,期间除主汽管疏水,其余疏水均打开,16:10分35秒汽压14.6MPA,炉侧主汽温度522℃,炉侧再热汽温494℃,吹扫强制完成,在MFT动作到吹扫完成共用6分钟,二次风量696t/h。16:15分25秒MFT复位,此时压力为13.38MPA,炉侧主汽温度507℃,炉侧再热汽温476℃。见下图

图片关键词

吹扫完成,MFT复位


4.时间:16:16分56秒DE3角点火,

16:17分AB3角点火后点火失败,

16:17分04秒DE1角点火,

16:17分20秒AB1角点火,

16:17分38秒AB2角点火,

16:18分07秒AB4角点火,

16:18分47秒BC3角点火,

16:19分16秒BC1角点火,在16:18分28秒时主汽压力开始上涨,此时压力为12.5MPA,

16:20分BC2角点火,此时压力已涨至13.3MPA,

16:20分17秒BC4角点火后点火失败,

16:21分17秒DE2角点火,

16:21分26秒DE4角点火,此时主汽压力为14.6MPA,到16:21分26秒共投入十根油枪,油量为20t/h,在投油过程中主汽温度最低降至487℃,再热汽温度最低降至462℃,(见下图)到16:23分10秒主汽压力升至16.8MPA时开始开大汽机调门涨负荷,在开调门的同时机侧主汽温度开始下降,同时水位开始降低(当时水位317mm),(见下图)

16:24分30秒PCV动作主汽压力为17.8MPA,

16:26分32秒31磨煤机启动,煤量为9.5t/h,油量为15t/h,此时主汽压力涨至18.3MPA,手动参考值为36%,负荷为136MW,机侧主汽温度降至492℃,炉侧主汽温度降至482℃已经开始回升,水位-287mm给水流量95t/h,主汽流量395t/h,(由于汽包压力较高上水很困难),

16:26分46秒DE3角停火,

16:27分DE4角停火当时主汽压力18.33MPA,

16:28分22秒手动参考值已加至50%负荷194MW,主汽压力仍很高18.22MPA,主汽温度497℃,再热汽温515℃,油量减少至11t/h,16:28分42秒DE2角及DE1角停火,此时剩5根油枪,

16:29分12秒燃油压力由1.98MPA降至1.74MPA,油量由11t/h降至4t/h相当于退出3根枪,(见下图)

16:30分由于燃量减少太多,负荷仍为190MW炉侧主汽温度开始下降,同时主汽压力也开始下降,负荷及手动参考值逐渐下降,

16:32分燃量恢复12t/h油量,煤量9t/h,但主汽温度仍在下降,直到16:37分22秒主汽温度最低降至445℃,再热汽温最低降至  463℃,在此期间高排温度最低降至218℃,对应高排压力1.25MPA,过热度为50℃,

16:37分30秒主再热汽温开始回升,此时油量15t/h,煤量9t/h,功率61MW,主汽压力17MPA,汽包水位已降至-423mm,之后主再热汽温逐渐上升,压力逐渐降低,稳定后启动32磨煤机逐个退出油枪,汽包水位随着压力的降低逐渐恢复正常,整个事故过程及处理过程结束。

图片关键词

10根枪点火油量20t/h.

图片关键词

压力16.8MPa开始开汽机调门涨负荷

图片关键词

PCV动作

图片关键词

启动A磨油量15T煤量9.5T,气温降至482,开始回升

图片关键词

只剩5根枪,油量11T,煤量9T

图片关键词

油压降低导致油量降至4T

图片关键词

燃量恢复12T油9T煤

图片关键词

气温到最低点445℃

图片关键词

退枪加煤过程


TAG: MFT
首页
产品
新闻
联系