行业知识

调节阀控制回路组态

2025-07-21 17:01:59 天行官方网站_天行TIANXING(中国)

调节阀控制回路组态

实操任务:公司气化炉CO2缓冲罐出口压力调节阀控制回路组态

由工艺厂开具联锁关系修改审批表,要求对至煤锁斗CO2压力19PIC-X006的OP值与高压CO2缓冲罐压力19PIC-X003的OP值取小后控制19PV-X003A/B该控制回路新增19PIC-X003投切按钮,使工艺人员在按下该切除按钮后,19PV-X003仅由19PIC-X006控制,投入时执行原控制回路。由于C套高压CO2/N2系统处于停运状态,随对C套进行修改。

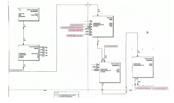
一、修改前逻辑组态

图片关键词

19PI3006与19PI3003分别经过PID控制回路即AI模拟量输入模块、DACA工程量转换模块以及PID控制模块输出,通过OVRDSEL调节阀输出高低选择功能块对19PIC3006的OP值与19PIC3003的OP值取小,取得较小值通过FANOUT功能块实现1个OP对19PV3003A/B进行调节,该功能块为分程控制主要的特性功能块。

1.OVRDSEL功能块属性设置,在MAIN界面下,找到Control Equation,通过下拉选择EQA/EQB.其中EQA为高选,即将选择两个PID的OP中较大的OP作为阀门的输出。EQB为低选,即将选择两个PID的OP中较小的OP作为阀门的输出。

图片关键词

OVRDSEL功能块具有初始化功能,只有当模拟量AO模拟量输出功能块模式为串级时,OVRDSEL功能块才会对19PIC3006的OP值与19PIC3003的OP值取小输出,当AO模式为MAN手动时,OVRDSEL功能块两个输入值跟随输出值保持不变。

2.FANOUT功能块属性设置如下图:

图片关键词

即输入0-50时,19PV3003B(OUTPUT#2)从0开到100;输入50-100时,19PV3003B保持全开的情况下,19PV3003A(OUTPUT#1)从0开到100。

为了手动调节的方便,需要在FANOUTA和AO之间添加手操器AUTOMANA功能块,同时PID调节器为AUTO,FANOUTA和AUTOMANA通常都需要投为CAS。

二、修改后逻辑组态

在19PIC3003PID功能块与OVRDSEL功能块之间添加逻辑组态,如下图:

图片关键词

FLAG功能块通过上位画面即HMIWeb Display Build软件编辑脚本作为按钮供工艺人员操作,当切除19PIC3003时,FLAG.PVFL输出0,SELREALA功能块通过IN1输出100,实现19PV3003仅由19PIC3006控制;当投用19PIC3003时,FLAG.PVFL输出1,SELREALA功能块通过IN2输出19PIC3003PID.OP值与19PIC3006PID.OP进行比较。

TAG: 调节阀
首页
产品
新闻
联系