电机双重联锁正反转控制知识分享
2022-04-28 21:51:31
天行官方网站_天行TIANXING(中国)电气
电机双重联锁正反转控制知识分享
线路的运用场合

正反转控制运用生产机械要求运动部件能向正反两个方向运动的场合。如机床工作台电机的前进及后退控制;万能铣床主轴的正反转控制;圈板机的辊子的正反转;电梯、起重机的上升及下降控制等场所。

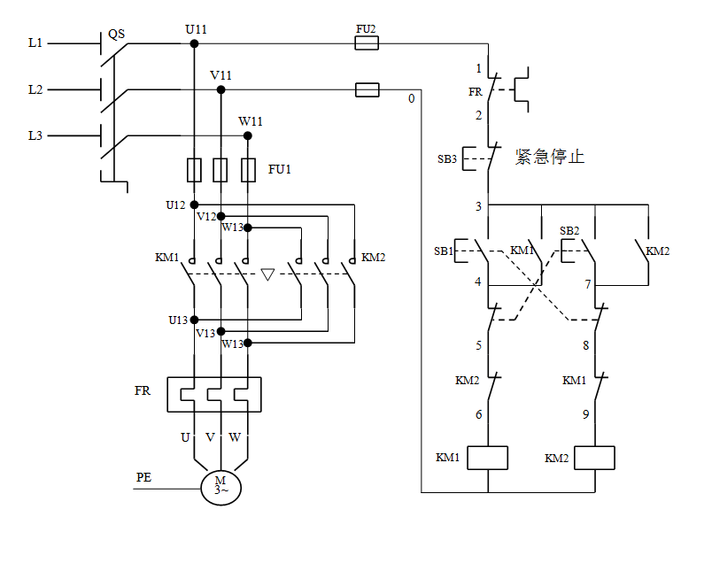
(1)、控制功能分析: 怎样才能实现正反转控制?为什么要实现联锁?
电机要实现正反转控制:将其电源的相序中任意两相对调即可(简称换相),通常是V相不变,将U相及W相对调,为了保证两个接触器动作时能够可靠调换电动机的相序,接线时应使接触器的上口接线保持一致,在接触器的下口调相。。由于将两相相序对调,故须确保2个KM线圈不能同时得电,否则会发生严重的相间短路故障,因此必须采取联锁。为安全起见,常采用按钮联锁(机械)和接触器联锁(电气)的双重联锁正反转控制线路(如原理图所示);使用了(机械)按钮联锁,即使同时按下正反转按钮,调相用的两接触器也不可能同时得电,机械上避免了相间短路。另外,由于应用的(电气)接触器间的联锁,所以只要其中一个接触器得电,其长闭触点(串接在对方线圈的控制线路中)就不会闭合,这样在机械、电气双重联锁的应用下,电机的供电系统不可能相间短路,有效地保护的电机,同时也避免在调相时相间短路造成事故,烧坏接触器。
(2)、工作原理分析:

双重联锁正反转控制线路的优点
接触器联锁正反转控制线路虽工作安全可靠但操作不方便;而按钮联锁正反转控制线路虽操作方便但容易产生电源两相短路故障。双重联锁正反转控制线路则兼有两种联锁控制线路的优点,操作方便,工作安全可靠。
TAG:
电机