KW-K100系列开方器小信号切除故障分享
2022-10-08 14:54:49
天行官方网站_天行TIANXING(中国)
KW-K100系列开方器小信号切除故障分享
故障现象:校验开方器时,将W2逆时针转到底,取消小信号切除。输入信号电压为1.04V,输出为l.4V左右。再将输入电压减少为1.025~1.04V之间,即满足输出在8%-10%之间切除的关系。调节W2输出电压不是正常的1V,而存1.32~1.4V之间。
故障分析:由于输入l.04V时输出为1.4V,而降低输入电压,虽然输出不能切除,但呈开方关系,说明电源、输入部分、开方运算.输出部分正常,故障在小信号切除电路.父断电源后查F4、BG4、D3正常,用万能表在电路板上量BG3时发现其D、S间呈通路状态。焊下3DJ7场效应管检查,其D、S间已击穿。
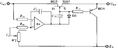
小信号切除电路如图2-29所示。电路由比较放大器F4和场效应管BG3、BG4等元件组成。运算故大器F4的同相输入端输入信号Usc3(0~6V)与小信号切除电压设定值Us(0~6V)比较,当Usc3<u< span="">s时,F4输出端为低电位,从而使BG3截止而BG4导通,此时,Usc4被钳制在Eb电位(仪表内部基准电位),当Usc3>Us时,F4输出高电位,BG3导通、BG4截止,这时Usc4=Usc3即为小信号切除电路的输出。由于Usc3的变化范围为0~6V,所以10%的Usc3为0.6V(即相对于输入差压的1%)需要切除,调节W2使其切除电压Us为0.6V,也即当仪表输入信号Usr<1%时,仪表输出信号始终为1V。由于BG3被击穿。当Usc3<u< span="">s,时,BG3仍然导通,导致BG4始终处于截止状态,致使小信号切除电路无法正常工作。

图2-29 小信号切除电路
TAG:
KW-K100系列开方器