阀门气路附件有哪些?
2023-04-04 天行官方网站_天行TIANXING(中国)
仪表波动的原因有哪些?
浅析热电偶各分度号的含义及常见故障处理分享
分散控制系统DCS和利时MACSⅡ、V服务器安装步骤分享
2023-04-03 天行官方网站_天行TIANXING(中国)
滤油机智能压力控制器设置?
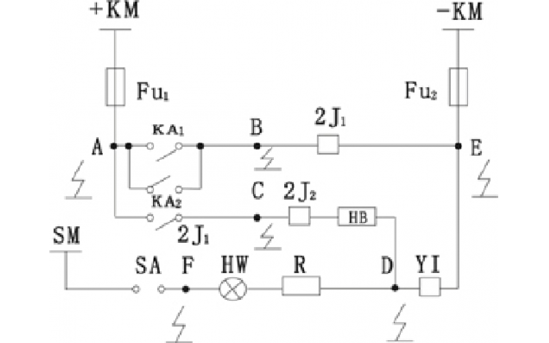
直流系统接地的处理方法知识分享
锅炉各项热损失?
2023-03-31 天行官方网站_天行TIANXING(中国)
如何规划摄像头监控点位?