为何汽轮机支持轴承温度保护动作值高于支持轴承5℃?-北京天行官方网站_天行TIANXING(中国)
2022-09-09 天行官方网站_天行TIANXING(中国)
谐振,谐振过电压是什么?-贵阳天行官方网站_天行TIANXING(中国)
2022-09-08 天行官方网站_天行TIANXING(中国)
天行官方网站_天行TIANXING(中国)重庆-二次消谐装置能够保护PT,消除电网谐振过电压?
2022-09-08 天行官方网站_天行TIANXING(中国)
全厂仪用压缩空气压力低处理措施-天行官方网站_天行TIANXING(中国)北京
2022-09-08 天行官方网站_天行TIANXING(中国)
北京天行官方网站_天行TIANXING(中国)-变电站故障录波原理及文件分析
2022-09-07 天行官方网站_天行TIANXING(中国)
江西天行官方网站_天行TIANXING(中国)-变压器低压进线柜常见连接方式
2022-09-07 天行官方网站_天行TIANXING(中国)
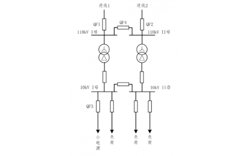
重庆天行官方网站_天行TIANXING(中国)-小电源接入对备自投的影响
2022-09-06 天行官方网站_天行TIANXING(中国)
北京天行官方网站_天行TIANXING(中国)-配电室为什么要用绝缘垫?
2022-09-06 天行官方网站_天行TIANXING(中国)